Редуктор хода в сборе Hitachi ZX330-3
Поставляем редуктора хода в сборе, запчасти для редукторов хода для всей линейки техники JCB, VOLVO, CAT, KOMATSU, HYUNDAI и др.
- Описание
Редуктор хода в сборе Hitachi ZX330-3.
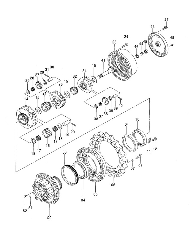
Номер позиции на схеме (см. ниже) Каталожный № Наименование Размеры 41 2051884 Вал редуктора хода (1-ый блок) 23T 23S 34 1032597 Планетарная передача (1-ый блок) 29S 36 3103551 Шестерня планетарная (1-ый блок) 31T 38 4642993 Пластина (1-ый блок) 39 4269472 Вал сателлита (1-ый блок) 40 4192020 Палец подпружиненный (1-ый блок) 15 4621530 Шайба упорная 1-ая планетарная передача к-т 32 3103552 Шестерня солнечная (2-ой блок) 29T 26 1032598 Планетарная передача (2-ой блок) 23S 27 3103553 Шестерная планетарная (2-ой блок) 28T 29 4284521 Паластина (2-ой блок) 30 4269451 Вал сателлита (2-ой блок) 31 4197763 Палец подпружиненный (2-ой блок) 15 4621530 Шайба упорная 2-ая планетарная передача к-т 21 3103554 Шестерня солнечная (3-ий блок) 23T 14 1032599 Планетарная передача (3-ий блок) 69S 15 4621530 Шайба упорная 16 3103555 Шестерня планетарная (3-ий блок) 25T 18 4269470 Шайба упорная (3-ий блок) 19 4269452 Вал сателлита (3-ий блок) 20 4207947 Палец подпружиненный (3-ий блок) 3-я планетарная передача к-т 23 1032600 Корпус редуктора 85*73T 05 1033164 Ступица (барабан редуктора хода) 43 1032596 Крышка 44 4277474 Стопор 46 930451 Кольцо 10 3094717 Гайка 11 4470326 Стопор 2047884 Вал гидромотора 29S 23S 0005207 Корпус гидромотора 69S 9244944; 9256991 Редуктор хода в сборе без гидромотора 
Если не нашли нужную запчасть, отправьте запрос по электронной почте или перезвоните в Отдел продаж по телефону.
Отправить запрос о стоимости и наличии товара Вы можете по электронной почте: Этот адрес электронной почты защищен от спам-ботов. У вас должен быть включен JavaScript для просмотра.
Для получения более подробной информации о продукции обращайтесь в Отдел продаж: городской +375 17 5175372, А1 +375 44 7696362








